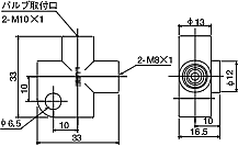
専用です MOS型定量バルブ専用ジャンクション PVS型|リューベ株式会社 LUBE Japan
(3213件)
Pontaパス特典
サンキュー配送
7424円(税込)
75ポイント(1%)
Pontaパス会員ならさらに+1%ポイント還元!
送料
(
)
3202
配送情報
お届け予定日:2026.04.22 2:14までにお届け
※一部地域・離島につきましては、表示のお届け予定日期間内にお届けできない場合があります。
ロットナンバー
57309206572
お買い物の前にチェック!
Pontaパス会員なら
ポイント+1%
ポイント+1%
商品説明




あまり出番がないので綺麗なうちに出品します。39×40センチ長さの調節可能です。
| カテゴリー: | ファッション>>>ショルダーバッグ>>>ショルダーバッグ |
|---|---|
| 商品の状態: | 目立った傷や汚れなし","細かな使用感・傷・汚れはあるが、目立たない |
| ブランド: | R&D.M.Co- |
| 配送料の負担: | 送料込み(出品者負担) |
| 配送の方法: | 佐川急便/日本郵便 |
| 発送元の地域: | 山梨県 |
| 発送までの日数: | 4~7日で発送 |
レビュー
商品の評価:




4.8点(3213件)
- キタサンーマスチャン
- GW中に注文したので仕方ないしれないけど、ブルー注文ー数日後在庫無しの為他のカラーを勧められそれを注文ー数日後また在庫無しの為違う色勧められる。結果ピンクになりました。デザインが好きなのでこれが欲しかったから妥協しましたが。 到着はその約1ヶ月後。 どー考えても遅いなぁと思いましたが、まぁ仕方ないのかな。
- じゅんこ2046
- 職場で水筒やハンカチやペン、スマホなどを入れて持ち歩いてます。500mlのペットボトルが2本入るので便利です。
- やすきっつぁん
- 軽いのが良かったです。 カバンの中はかなりスッキリしました。
- 9ぼた
- しっかりした作りでお値段以上に見えます。良い買い物ができて嬉しいです。
- 三毛にゃんこ9567
- とってもおしゃれで、大きさもちょうど良いので愛用しています。パイソンの高級感がすてきです。
- yutokonyan
- フリーアドレスで机の上に置くものを整理する為に購入しました。カレンダーや付箋、ペンなどが細かく分類できるので探す手間が無くなりました。
- ともぞー7438
- 私的にはちょっとイメージ違っていましたけど姉はたぶん気に入ったと思っています。嫌いなら要らないと言う人なので。私は値段からすると少し安っぽく感じましたので星2ですが貰ってくれたのでプラス1にしました。れい
- ローズハイツ6184
- 化粧ポーチとして購入。マチが無いのでバッグに入れてもかさばりません。大きさもちょうど良く、マスカラもパウダーファンデも、日焼け止めも無理なく入りました。 生地もしっかりしてるので丈夫です。大切に使っていきたいと思います。
- 中国達磨大師
- 波柄に一目惚れして購入しました。軽くて薄くて嵩張らないのが良いですね!外に出た時のタオルや着替えなど入れるときに使おうと思ってます。
- 弘史421
- あわせやすい黒を購入。丁寧なつくりで、いいバッグです。 荷物が少なくていい時に使っています。
- usatan63
- 高級感があり傷も付きにくい素材なので、使いやすく気に入っています。 ただ、もう少し大きいサイズがあることと、背面にポケットがあるとメインファスナーを開けなくてパスモや鍵をいれとけるので助かりますね。
- m-om-o
- 281032-20150322-0196297112 この値段なら高く見えますが、可もなく不可もなくです。 バッグの背に凹凸がいくつかありました。
- さまじろう
- 母に買いました。小さいけどとても可愛いと喜んでくれました。 お友達にも好評だそうです。
すべて見る
お店の情報
7,367
連絡・応対
4.3
配送スピード
4.3
梱包
4.3










